8 svar
256 visningar
jonte12 behöver inte mer hjälp
jonte12 472
Postad: 8 okt 2023 16:25 Redigerad: 8 okt 2023 16:47

Operationsförstärkare

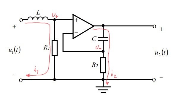
Jag ska lösa denhär uppgiften

Förstärkningen är ju U2U1. Jag tänker att jag ritar gör om kondensatorn och spolen till impedanser:

Men sen vet jag inte riktigt hur jag ska göra. Jag har försökt att göra två spänningsvandringar med KVL: (1):+U1-iwL·I-R1I=0U1=I(iwL+R1)(2): -R1I-U2=0U2=-R1I, vilket resulterar i fel svar. 

Jag har också tänkt att spänningen U1 motsvarar spänningen över R1 (för dom är parallella med varandra). Samt att U2 motsvarar spänningen över C och R2. Detta ger U2U1=1+iwCR2iwCR1, som också är fel. Varför fungerar inte detta?

Pieter Kuiper 9458 – Avstängd
Postad: 8 okt 2023 16:31
jonte12 skrev:

 vet inte riktigt vad jag har gjort för fel.

Det finns ingen krets 2 där du kan spänningsvandra.

Du ska använda OP-lagarna:

* att OP:n försöker få spänningsskillnaden mellan dess ingångar till noll
* att ingångarna inte drar ström

jonte12 472
Postad: 8 okt 2023 16:52 Redigerad: 8 okt 2023 17:28
Pieter Kuiper skrev:
jonte12 skrev:

 vet inte riktigt vad jag har gjort för fel.

Det finns ingen krets 2 där du kan spänningsvandra.

Du ska använda OP-lagarna:

* att OP:n försöker få spänningsskillnaden mellan dess ingångar till noll
* att ingångarna inte drar ström

Jag förstår inte riktigt varför det inte finns någon krets 2? Och vill du ge en liten ledning hur man ska använda OP-lagarna?

Macilaci 2215
Postad: 8 okt 2023 19:47 Redigerad: 8 okt 2023 19:48

Spänningen på "-" ingången blir lika med spänningen på "+" ingången (dvs I * R1).

Vad jag ser som problem på ditt diagram är att du skriver I på OpAmps utgång, men strömmen där är inte lika med I på vänstersidan. Jag skulle kalla det Iout. Och så har du ekvationen:

I*R1 = Iout*R2

jonte12 472
Postad: 9 okt 2023 10:25
Macilaci skrev:

Spänningen på "-" ingången blir lika med spänningen på "+" ingången (dvs I * R1).

Vad jag ser som problem på ditt diagram är att du skriver I på OpAmps utgång, men strömmen där är inte lika med I på vänstersidan. Jag skulle kalla det Iout. Och så har du ekvationen:

I*R1 = Iout*R2

Så spänningen in är lika med spänningen ut. Hur kommer man fram till U1 och U2 från det? 

Pieter Kuiper 9458 – Avstängd
Postad: 9 okt 2023 11:22
jonte12 skrev:
Macilaci skrev:

... strömmen där är inte lika med I på vänstersidan. Jag skulle kalla det Iout. Och så har du ekvationen:

I*R1 = Iout*R2

Så spänningen in är lika med spänningen ut.  

Nej. Läs mera noggrant.

Jan Ragnar 2227
Postad: 9 okt 2023 11:48

Operationsförstärkaren är högohmig och drar ingen ström. Däremot blir skillnaden mellan ingångsspänningarna noll, dvs u+ blir lika med u-. De två strömmarna är inte intressanta. u+ och u- kan beräknas som spänningsdelningar utgående från u1 och u2.

Jan Ragnar 2227
Postad: 9 okt 2023 23:56

jonte12 472
Postad: 10 okt 2023 08:47
Jan Ragnar skrev:

Okej, så man använder att spänningen i minusingången är lika med plusingången är lika med varandra och det kan man använda för att ta reda på U2/U1. 

Svara
Close