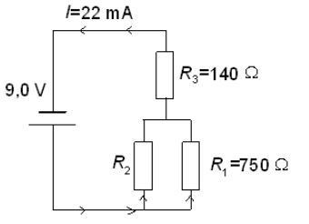
Räkna ut okänd resistans
Uppgiften är att bestämma den okända resistansen och den totala effektutvecklingen.
Jag såg på en tidigare tråd att de löste ut spänningen för U3 först vilket blir
U3 = 140 * 0.022 = 3.08 V
Om det är rätt blir spänningen på de parallelkopplade båda 5.92 V
Men ska jag inte få ut ersättningsresistorn först?
Har bara gjort uppgifter där alla resistorer är kända och förstår inte hur jag ska ställa upp det, har ingen kontakt med någon lärare.
Om du skulle ersätta R1 och R2 med en enda resistor, hur stor resistans skulle den ha (för att spänningen skall stämma)?
Är det såhär?
U = R * I
5.92 = R * 0.022
R = 5.92 / 0.022
R = 269.1 Ohm
Eller skulle jag ta
9 = R * 0.022
R = 409.1
Är 409.1 den totala resistansen och 269.1 resistansen för R1 och R2?
Då vet du ersättningsresistansen för de båda parallellkopplade resistorerna. Kan du använda detta för att beräkna resistansen för det okända motståndet?
Kan man göra det genom att subtrahera 750 ohm från 269.1?
269.1 - 750 = - 480.9
Eller
1 / 269.1 = 1 /750 + 1/ R2
Då får jag fram att R2 skulle vara 0,00238
Men det känns inte rätt...
Nej. (Men formeln är rätt.)
1/R2 = 0.00238 [1/Ohm]
R2 = 419.7 Ohm
Okej då förstår jag, glömde att lösa ut R2. Tack så mycket!
För att få fram kretsens totala effektutveckling är det väl bara att ta
(419.7^-1 + 750^-1) ^-1 + 140 = 409.1 Ohm
P = U^2 / R
P = 9^2 / 409.1
P = 0.20 W (Avrundat från 0.198 W)
Kontrollräkning.
En alternativ metod är att räkna ut alla spänningar och alla strömmar.
P3 = I2R = 0,022 x 140 = 0,068 W.
Du hade redan räknat ut spänningar över de andra två motstånden: 5,92 volt.
P1 = U2/R = 5,922/750 = 0,047 W.
Strömmen genom R1 = 5,92/0,750 = 7,9 mA så strömmen genom R2 = 22 - 7,9 = 14 mA.
P2 = IU = 0,014 x 5,92 = 0,083 W.
Så får jag också 68 + 47 + 83 = 198 milliwatt.
En alternativ metod är att räkna ut alla spänningar och alla strömmar.
Okej vad bra tips!
Hur kommer det sig att strömmen genom R1 räknas ut med resistansen 0.750 ?
Dividerar man alltid resistansen med 1000 för att få ut svaret ur en parallelkopplad resistor?
mattejohn skrev:
Hur kommer det sig att strömmen genom R1 räknas ut med resistansen 0.750 ?
Dividerar man alltid resistansen med 1000 för att få ut svaret ur en parallelkopplad resistor?
Det är bara en vana i elektronik, att skriva värden av motstånd i kΩ, då får man strömmar i mA. För det är oftast sådana storlekar som det handlar om när man sysslar med lågspänningskretsar.
Aha okej, tack så mycket!
