transient circuits
Hej,
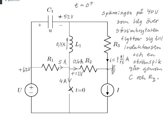
i denna uppgift ska man beräkna u och i för tiderna t=0-, t=0+ och t=oändligheten
min lösning för t=0- :
ingen ström går igenom kondensatorn och hela I går igenom R1, därmed blev u=10
för att beräkna i gjorde jag current division:
i fall t=0+ lyckas jag beräkna u, då spänningen över C är alltid samma i t=0+ och t=0-. Jag har dock svårt att beräkna strömmen i.
Jag vet att strömmen genom induktorn är samma för t=0+ och t=0-, men jag vet inte hur jag ska beräkna strömmen genom kondensatorn för att slutligen få i.

På samma sätt som uC1(0+) = uC1(0-), det gäller också att iL1(0+) = iL1(0-).
Kan du gå vidare?
Precis! Det har jag också skrivit. Dock fastnar jag ändå.
Men du kan beräkna iL1(0-). Och sen kan du tillämpa superposition.
iL1(0-) = i(0-)
Har du fått 38V för u(0-) ?
Jag ber om ursäkt, jag har insett att jag inte hade förstått uppgiften, jag kollar igen.
Okej, du ska ha fått 10V för u(0-).
Nu har du denna krets för t = 0+ :

Och du ska skapa 4 kretsar för att superponera:

... osv
Det tidigare blev inte helt bra.

Varför försvinner ?
Vi kan lägga tillbaka R1 men den resistansen påverkar inte den resterande kretsen.
Tack!
